| Status de disponibilidade: | |
|---|---|
| Quantidade: | |
D202A1
I.CH
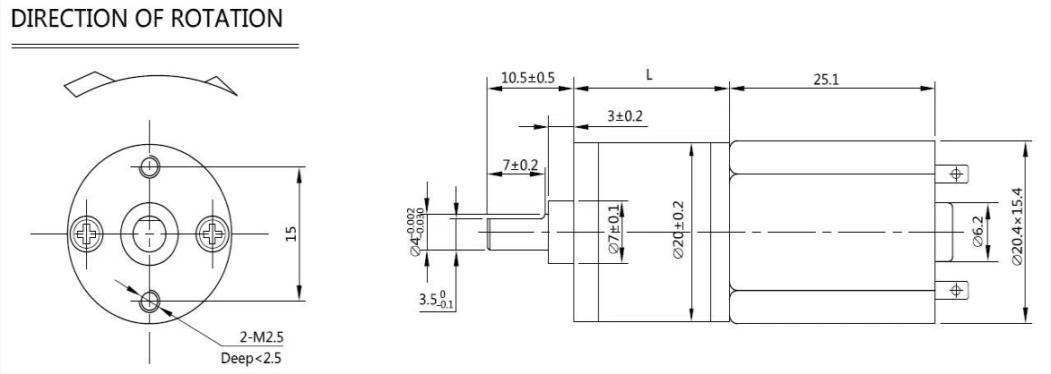
20MM DC Gear Motor
Descrição
Este tamanho de série é maior que o motor de engrenagem de 16 mm fornecido pela I.CH.Para este motorredutor de alto torque, a solução que utilizamos é um motor elétrico CC de escovas com caixa de engrenagens de dentes retos.
Comparado com o motor DC sem escova, o motor escovado não só possui alta eficiência energética, que pode atingir até 80-90%, mas também possui bom desempenho de controle, cuja curva característica possui boa linearidade.Por último, mas não menos importante, o custo é relativamente baixo.Ao mesmo tempo, em comparação com o motor de engrenagem planetária, as engrenagens de dentes retos são muito fáceis de fabricar e podem oferecer uma relação de transmissão estável.O design do pequeno motorredutor de 12 V resulta em melhor eficiência geral. E este motoredutor tem ruído relativamente baixo.
Especificações da caixa de velocidades
Número de etapas | 3 | 4 | 5 | 6 | 7 |
Taxa de redução | 10 | 25 | 50 | 100 | 250 |
12.5 | 31.25 | 62.5 | 125 | 312.5 | |
78.1 | 156.25 | 390.6 | |||
195.3 | 488.3 | ||||
Comprimento da caixa de velocidades (milímetros) | 16.0 | 17.5 | 19.0 | 20.5 | |
CC Especificações do motor + caixa de engrenagens
Modelo | Avaliado Tensão (V) | Torque nominal (kg.cm) | Velocidade nominal (rpm) | Corrente nominal (mA) | Saída Poder (mW) | Torque na parada (Kg.cm) | Atual na barraca (mA) | Sem carga Velocidade (rpm) | Sem carga Atual (mA) |
D202-002010 | 12.0 | 0.15 | 1000 | 350 | 1500 | 0.8 | 1500 | 1300 | 100 |
D202-004025 | 6.0 | 0.35 | 200 | 450 | 750 | 1.5 | 1300 | 270 | 140 |
D202-004062 | 12.0 | 0.4 | 100 | 200 | 410 | 2.5 | 500 | 140 | 60 |
D202-010156 | 6.0 | 1.0 | 50 | 400 | 500 | 4.5 | 1300 | 65 | 90 |
D202-012195 | 6.0 | 1.2 | 28 | 200 | 370 | 6.0 | 800 | 36 | 60 |
D202-040312 | 4.8 | 4.0 | 16 | 670 | 650 | 8.0 | 1800 | 24 | 150 |
D202-030488 | 6.0 | 3.0 | 12 | 290 | 370 | 8.0 | 900 | 15 | 80 |
* Especificação pode ser personalizado como o inquérito. Contato: sales@ichmo.com
Descrição
Este tamanho de série é maior que o motor de engrenagem de 16 mm fornecido pela I.CH.Para este motorredutor de alto torque, a solução que utilizamos é um motor elétrico CC de escovas com caixa de engrenagens de dentes retos.
Comparado com o motor DC sem escova, o motor escovado não só possui alta eficiência energética, que pode atingir até 80-90%, mas também possui bom desempenho de controle, cuja curva característica possui boa linearidade.Por último, mas não menos importante, o custo é relativamente baixo.Ao mesmo tempo, em comparação com o motor de engrenagem planetária, as engrenagens de dentes retos são muito fáceis de fabricar e podem oferecer uma relação de transmissão estável.O design do pequeno motorredutor de 12 V resulta em melhor eficiência geral. E este motoredutor tem ruído relativamente baixo.
Especificações da caixa de velocidades
Número de etapas | 3 | 4 | 5 | 6 | 7 |
Taxa de redução | 10 | 25 | 50 | 100 | 250 |
12.5 | 31.25 | 62.5 | 125 | 312.5 | |
78.1 | 156.25 | 390.6 | |||
195.3 | 488.3 | ||||
Comprimento da caixa de velocidades (milímetros) | 16.0 | 17.5 | 19.0 | 20.5 | |
CC Especificações do motor + caixa de engrenagens
Modelo | Avaliado Tensão (V) | Torque nominal (kg.cm) | Velocidade nominal (rpm) | Corrente nominal (mA) | Saída Poder (mW) | Torque na parada (Kg.cm) | Atual na barraca (mA) | Sem carga Velocidade (rpm) | Sem carga Atual (mA) |
D202-002010 | 12.0 | 0.15 | 1000 | 350 | 1500 | 0.8 | 1500 | 1300 | 100 |
D202-004025 | 6.0 | 0.35 | 200 | 450 | 750 | 1.5 | 1300 | 270 | 140 |
D202-004062 | 12.0 | 0.4 | 100 | 200 | 410 | 2.5 | 500 | 140 | 60 |
D202-010156 | 6.0 | 1.0 | 50 | 400 | 500 | 4.5 | 1300 | 65 | 90 |
D202-012195 | 6.0 | 1.2 | 28 | 200 | 370 | 6.0 | 800 | 36 | 60 |
D202-040312 | 4.8 | 4.0 | 16 | 670 | 650 | 8.0 | 1800 | 24 | 150 |
D202-030488 | 6.0 | 3.0 | 12 | 290 | 370 | 8.0 | 900 | 15 | 80 |
* Especificação pode ser personalizado como o inquérito. Contato: sales@ichmo.com